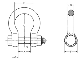
GRILLI A CUORE ALTA RESISTENZA CON BULLONE