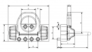
STAFFA DI ANCORAGGIO CON STAFFA AVVITABILE

Articolo su richiesta.

WORKING LOAD LIMIT W.L.L. (t)