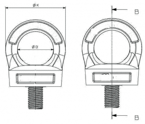
GOLFARE GIREVOLE H.Q.

Orientabile per ogni direzione di carico. Chiave speciale per misure da M8 a M30.

*Chiave commerciale senza anello a catena

WORKING LOAD LIMIT W.L.L. (t)