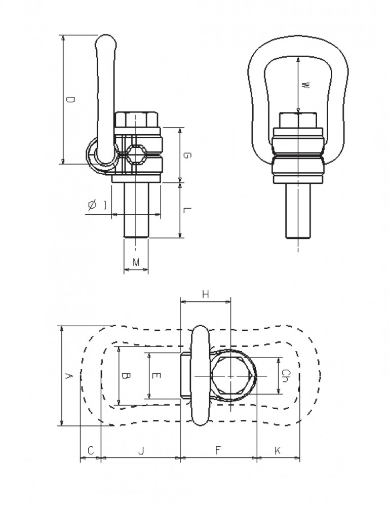
GOLFARE GIREVOLE CON STAFFA NEW
Tiro a 90° con minimo ingombro. Disponibile, su richiesta, filettatura e lunghezza gambo fuori standard.
Disponibile anche nella versione con vite intercambiabile; in caso di sostituzione della vite, utilizzare viti con caratteristiche meccaniche uguali a quella fornita in dotazione al pezzo.





