DISPOSITIVO GIREVOLE ANTICADUTA (DPI) EN 795
Protezione contro le cadute dall’alto (DPI) EN795. Dispositivo removibile classe A1 – certificato secondo norma EN 795 – 0426 organismo notificato.
Fornito con chiave
DISPOSITIVO GIREVOLE ANTICADUTA CON VITE (DPI) EN795
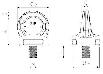
Protezione contro le cadute dall’alto (DPI) EN795. Dispositivo removibile classe A1 – certificato secondo norma EN 795 – 0426 organismo notificato.
Fornito con chiave, rondella DIN 6340 e controdado alto
DISPOSITIVO GIREVOLE ANTICADUTA IN ACCIAIO INOX (DPI) EN 795
Protezione contro le cadute dall’alto (DPI) EN795. Dispositivo removibile classe A1 – certificato secondo norma EN 795 – 0426 organismo notificato.
Fornito con chiave, rondella DIN 6340 e controdado alto
DISPOSITIVO GIREVOLE ANTICADUTA IN ACCIAIO INOX (DPI) EN 795
Protezione contro le cadute dall’alto (DPI) EN795. Dispositivo removibile classe A1 – certificato secondo norma EN 795 – 0426 organismo notificato.
Fornito con chiave, rondella DIN 6340 e controdado alto













